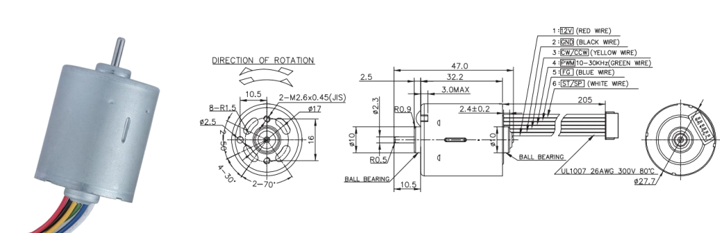
Product Details
Main Technical Data:
| MODE | VOLTAGE | NO-LOAD | LOAD | MAXIMUM | OUTPUT | EFF | STALL | |||||
|
voltage range |
test voltage |
SPEED | CURRENT | SPEED | CURRENT0 | TOTPUT | A | mN/m | ||||
| RPM | A | RPM | A | G/CM | mN/m | W | % | |||||
| YDL2838 | 3.0-12.0 | 9.00 | 3000 | 0.67 | 2400 | 0.86 0 | 65.0 | 6.2 | 1.60 | 62 | 0.9 | 26.0 |
| YDL2838 | 6.0-24.0 | 12.0 | 12800 | 0.30 | 11000 | 1.50 | 140.0 | 13.75 | 15.0 | 80 | 8.40 | 79.0 |
| YDL2838 | 9.0-36.0 | 24.0 | 6000 | 0.05 | 5200 | 0.30 | 83.0 | 8.2 | 4.50 | 70 | 1.48 | 54.0 |
| YDL2838 | 9.0-30.0 | 12.0 | 10400 | 0.21 | 8900 | 1.20 | 117.2 | 11.5 | 10.6 | 75 | 6.60 | 73.0 |
| 2838S | 6.0-24.0 | 7.20 | 36000 | 1.42 | 30500 | 7.80 | 126.1 | 12.36 | 38.0 | 71 | 43.0 | 85.0 |
| 2838S | 7.0-36.0 | 24.0 | 30500 | 0.28 | 25800 | 2.9 | 211.0 | 20.7 | 55.6 | 83 | 22.0 |
152.0 |
Performance curve:


Application scenarios :
Robot Vacuum、Vending Machine、Ventilator、Optical Cleaning Machine、Fluid Pump、Gearbox

Chinese
English

