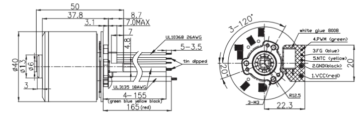
Product Details



Main Technical Data:
| MODE | VOLTAGE | NO-LOAD | LOAD | MAXIMUM | OUTPUT | EFF | STALL | ||||||||||||||||||||||
|
voltage range |
test voltage |
SPEED | CURRENT | SPEED | CURRENT | TOTPUT | A | N/m | |||||||||||||||||||||
| RPM | A | RPM | A | N/m | W | % | |||||||||||||||||||||||
| YDL39E27B | 6.0-24.0 | 12.0 | 3970 | 0.32 | 3240 | 3.20 | 0.080 | 27.0 | 74 | 18.5 | 0.52 | ||||||||||||||||||
| YDL39F27B | 12.0-24.0 | 24.0 | 4200 | 0.20 | 3620 | 1.12 | 0.045 | 17.0 | 78 | 7.80 | 0.45 | ||||||||||||||||||
| YDL40E38S | 6.0-24.0 | 10.0 | 3300 | 0.37 | 3000 | 2.37 | 0.062 | 20.0 | 84 | 20.0 | 0.65 | ||||||||||||||||||
| YDL40E38S | 9.0-48.0 | 18.2 | 7100 | 0.54 | 6300 | 4.50 | 0.100 | 68.0 | 85 | 34.0 | 0.86 | ||||||||||||||||||
Performance curve:



Chinese
English


